您的浏览器禁用了JavaScript脚本,这会影响您正常浏览大中华石材商。启用JavaScript,您将拥有更好的浏览器体验。查看这里来启用脚本
手机版
我的128
供应商服务
客服中心
网站导航
产品
发布产品
管理产品信息
采购
发布求购
管理求购
工具
收藏夹
管理旺铺
问题反馈
升级成供应商
站内信件
企业
产品
求购
展会
资讯
百科
石材图库
大中华石材商
买得方便,卖得容易!
让卖家找上门
发布求购
花岗岩
654
荒料
石材
板材
砂岩
求购
玉石
皇室啡
壁炉
首页
企业
产品
求购
展会
资讯
百科
石材图库
库存石材
惠安女商城
石材阅读
石材建筑
古风民俗
积分商城
供应商搜索
当前位置:
首页
»
求购
»
石制家具
»
台面板
»
代购紫点金麻加工台面板
点击图片查看原图
需求数量:
价格要求:
包装要求:
所在地:
福建泉州市惠安县
有效期至:
长期有效
最后更新:
2013-01-21 13:27
浏览次数:
287
公司基本资料信息
您还没有登录,请登录后查看联系方式
免费注册为会员后,您可以...
发布供求信息
推广企业产品
建立企业商铺
在线洽谈生意
详细说明
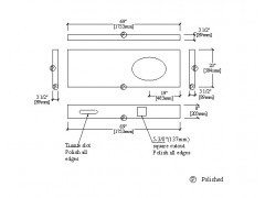
代购紫点金麻加工台面板
规格、数量见下图
联系QQ:605990330
service-6
共
0
条 [查看全部]
相关评论
更多»
同类求购
代购棕色花岗岩台面板
求购巴西的白色天然石
代购G654大花的台面板
紧急代求购664台面
紧急求购深灰麻花岗岩
求购G682台面板
代购蓝珍珠台面板
代购紫点金麻加工台面
[
求购搜索
] [
加入收藏
] [
告诉好友
] [
打印本文
] [
关闭窗口
]